提供專業控制閥解決方案! 銷售熱線:021-5186 3046
上海川滬閥門有限公司
ShangHai Chuanhu Valve CO.,LTD
我們做的不僅是產品還是解決方案
川滬閥門品牌:電動球閥、電動蝶閥、氣動球閥、氣動蝶閥、電動調節閥、氣動調節閥
自力式調節閥、快速切斷閥、低溫閥門、耐腐蝕閥門、衛生級閥門、截止閥、閘閥
電動執行器、氣動執行器
襯氟Y型過濾器
一、襯氟Y型過濾器 產品概述
襯氟Y型過濾器是用在強腐蝕介質管道中,用來過濾雜質的閥門,閥體內部全襯聚四氟乙烯,濾網也使用全F4材料, 杜絕介質和金屬閥體進行接觸,極大的提升了過濾器在耐腐蝕領域的使用范圍。上海川滬閥門不僅生產襯氟Y型過濾器,也生產襯氟籃式過濾器,都可以使用在強腐蝕、弱腐蝕等場合使用。
二、襯氟Y型過濾器 產品圖片
![]() |
![]() |
| 襯氟Y型過濾器 | 襯氟Y型過濾器 |
三、襯氟Y型過濾器 技術參數
| 技術標準Technical standard | |
|---|---|
| 設計規范Design specification | HG/T21637 |
| 結構長度Structure length | GB/T12221 |
| 法蘭尺寸Flange size | GB/T9113.1-2000? ASME 16.5a |
| 公稱壓力試驗Nominal pressure test | 0.6、1.0、1.6、2.5MPa? Class150 |
| 壓力試驗Pressure test | GB/T 13927-92 API 598 |
| 型號Model | Y型、藍式?Blue type |
四、襯氟Y型過濾器 閥體材質
| 序號NO. | 零件名稱 Part name |
精鑄球墨鑄鐵Precision casting ductile iron |
碳鋼 Carbon steel |
不銹鋼Stainless steel | |||
|---|---|---|---|---|---|---|---|
| QT | C | P | R | PL | RL | ||
| 1 | 閥體Body、 閥蓋 Cover |
QT 400 | WCB | CF8 | CF8M | CF3 | CF3M |
| 2 | 內襯材料 Lining material |
FEP(F46)、PTFE(F4)、PFA(可溶性聚四氟乙烯)、PO(聚烯烴)、PE(超高分子量聚乙烯) | |||||
| 3 | 過濾網 Filter screen |
PTFE(F4) | |||||
| 4 | 螺栓Bolt | 35 | 35 | 1Cr17Ni2 | 1Cr17Ni2 | 1Cr18Ni9 | 1Cr18Ni9 |
| 5 | 螺母Nut | 45 | 45 | 0Cr18Ni9 | 0Cr18Ni9 | 0Cr18Ni9 | 0Cr18Ni9 |
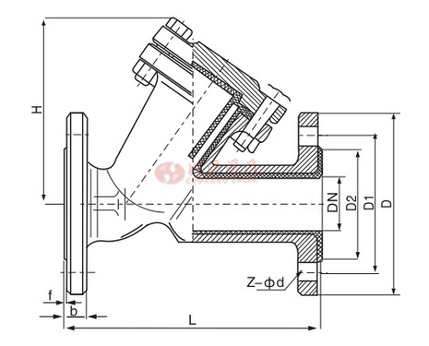
五、襯氟Y型過濾器 結構圖
![]() |
六、襯氟Y型過濾器 連接尺寸
| 公稱通徑 | 主要尺寸Main dimensions | 參考值 Reference value |
|||||||||||||||||
|---|---|---|---|---|---|---|---|---|---|---|---|---|---|---|---|---|---|---|---|
| DN | NPS | L | L1 | D | D1 | D2 | f | b | Z-¢d | L | L1 | D | D1 | D2 | f | b | Z-¢d | H | H1 |
| mm | inch | PN1.0MPa | PN1.6MPa | ||||||||||||||||
| 15 | 1/2 | 150 | 160 | 95 | 65 | 45 | 3 | 16 | 4-14 | 150 | 160 | 95 | 65 | 45 | 3 | 16 | 4-14 | 70 | 150 |
| 20 | 3/4 | 150 | 170 | 105 | 75 | 55 | 3 | 18 | 4-14 | 150 | 170 | 105 | 75 | 55 | 3 | 18 | 4-14 | 70 | 160 |
| 25 | 1 | 160 | 180 | 115 | 85 | 65 | 3 | 18 | 4-14 | 160 | 180 | 115 | 85 | 65 | 3 | 18 | 4-14 | 80 | 160 |
| 32 | 11/4 | 180 | 200 | 140 | 100 | 75 | 3 | 18 | 4-18 | 160 | 200 | 140 | 100 | 75 | 3 | 18 | 4-18 | 85 | 160 |
| 40 | 11/2 | 200 | 260 | 150 | 110 | 85 | 3 | 18 | 4-18 | 200 | 260 | 150 | 110 | 85 | 3 | 18 | 4-18 | 90 | 170 |
| 50 | 2 | 230 | 260 | 165 | 125 | 100 | 3 | 18 | 4-18 | 220 | 260 | 165 | 125 | 100 | 3 | 18 | 4-18 | 110 | 170 |
| 65 | 21/2 | 290 | 330 | 185 | 145 | 120 | 3 | 18 | 4-18 | 290 | 330 | 185 | 145 | 120 | 3 | 18 | 4-18 | 115 | 210 |
| 80 | 3 | 310 | 340 | 200 | 160 | 135 | 3 | 20 | 8-18 | 310 | 340 | 200 | 160 | 135 | 3 | 20 | 8-18 | 135 | 250 |
| 100 | 4 | 350 | 400 | 220 | 180 | 155 | 3 | 20 | 8-18 | 350 | 400 | 220 | 180 | 155 | 3 | 20 | 8-18 | 155 | 300 |
| 125 | 5 | 400 | 480 | 250 | 210 | 185 | 4 | 22 | 8-18 | 400 | 480 | 250 | 210 | 185 | 4 | 22 | 8-18 | 250 | 350 |
| 150 | 6 | 480 | 500 | 285 | 240 | 210 | 4 | 22 | 8-22 | 480 | 500 | 285 | 240 | 210 | 4 | 22 | 8-22 | 285 | 400 |
| 200 | 8 | 600 | 560 | 340 | 295 | 265 | 4 | 24 | 8-22 | 550 | 560 | 340 | 295 | 265 | 4 | 24 | 12-22 | 360 | 450 |
| DN | NPS | L | L1 | D | D1 | D2 | f | b | Z-¢d | 參考值 Reference value |
|
|---|---|---|---|---|---|---|---|---|---|---|---|
| mm | inch | PN2.5MPa | H | H1 | |||||||
| 15 | 1/2 | 150 | 160 | 95 | 65 | 45 | 3 | 16 | 4-14 | 70 | 150 |
| 20 | 3/4 | 150 | 170 | 105 | 75 | 55 | 3 | 18 | 4-14 | 70 | 160 |
| 25 | 1 | 160 | 180 | 115 | 85 | 65 | 3 | 18 | 4-14 | 80 | 160 |
| 32 | 11/4 | 180 | 200 | 140 | 100 | 75 | 3 | 18 | 4-18 | 85 | 170 |
| 40 | 11/2 | 200 | 260 | 150 | 110 | 85 | 3 | 18 | 4-18 | 90 | 170 |
| 50 | 2 | 230 | 260 | 165 | 125 | 100 | 3 | 20 | 4-18 | 110 | 170 |
| 65 | 21/2 | 290 | 330 | 185 | 145 | 120 | 3 | 22 | 8-18 | 115 | 210 |
| 80 | 3 | 310 | 340 | 200 | 160 | 135 | 3 | 24 | 8-18 | 135 | 250 |
| 100 | 4 | 350 | 400 | 235 | 190 | 155 | 3 | 24 | 8-22 | 155 | 300 |
| 125 | 5 | 400 | 480 | 270 | 220 | 185 | 4 | 26 | 8-26 | 250 | 350 |
| 150 | 6 | 480 | 500 | 300 | 250 | 210 | 4 | 28 | 8-26 | 285 | 400 |
| 200 | 8 | 600 | 560 | 360 | 310 | 275 | 4 | 30 | 12-26 | 360 | 450 |
注:由于產品改進技術創新參數可能有一定變化,公司不另行通知,請咨詢公司技術部門索取新數據。
下載:上海川滬閥門有限公司-產品樣本-襯氟Y型過濾器.PDF
襯氟Y型過濾器鏈接:http://www.ansite.net.cn/products/guolvqi/cfglq.html

















