提供專業控制閥解決方案! 銷售熱線:021-51863046
上海川滬閥門有限公司
ShangHai Chuanhu Valve CO.,LTD
我們做的不僅是產品還是解決方案
川滬閥門品牌:電動球閥、電動蝶閥、氣動球閥、氣動蝶閥、電動調節閥、氣動調節閥
自力式調節閥、快速切斷閥、低溫閥門、耐腐蝕閥門、衛生級閥門、截止閥、閘閥
電動執行器、氣動執行器
三偏心電動蝶閥
一、三偏心電動蝶閥 產品概述
上海川滬閥門有限公司生產的三偏心電動蝶閥是在二偏心蝶閥基礎上生產一個角度(密封面為斜錐面),從而形成三偏心蝶閥。三偏心蝶閥一般用在大通徑、高壓力等場合倆使用,與多回傳型電動執行器相連接后,可以控制閥門的開關或者調節(輸入輸出信號4-20mA)管道介質流量大小。
特點:
1、三偏心蝶閥結構在啟閉過程中無機械磨損和擦傷、關閉力矩小。
2、適用范圍廣、可以選擇橡膠密封、聚四氟乙烯密封、金屬硬密封等多種密封形式。
3、通徑覆蓋范圍廣,可以從DN50 做到 DN2000。
5、三偏心蝶閥比中線蝶閥耐壓性能更好,更適合高壓場合使用。
適用場景:
三偏心電動蝶閥適用介質:淡水、海水、各種氣體、油品、堿、鹽、有機化合物及弱酸等。
二、三偏心電動蝶閥 產品圖片
![]() |
| 三偏心電動蝶閥 |
三、三偏心電動蝶閥 性能規范
| 公稱通徑 DN(mm) | 50(2") ~ 1000(40") | 50(2") ~ 1000(40") | 50(2") ~ 1000(40") | |
|---|---|---|---|---|
| 公稱壓力PN(MPa) | 1.0 | 1.6 | 2.5 | |
| 試驗壓力 | 殼體 | 1.5 | 2.4 | 3.75 |
| 密封 | 1.1 | 1.76 | 2.75 | |
| 適用溫度 | -15 ~ +400度 | |||
| 適用介質 | 淡水、污水、海水、空氣、蒸汽、食品、藥品、各種油類、酸類、鹽類等 | |||
四、三偏心電動蝶閥 主要零部件材料
| 閥體 | 閥板 | 轉軸 | 襯套 | 閥座 | ||||
|---|---|---|---|---|---|---|---|---|
| 材料名稱 | 代號 | 材料名稱 | 代號 | 材料名稱 | 材料名稱 | 材料名稱 | 代號 | 適用溫度 |
灰鑄鐵 球墨鑄鐵 鋁青銅 不銹鋼 CF8M不銹鋼 碳鋼 |
Z Q T P R C |
電鍍球墨鑄鐵 鋁青銅 不銹鋼 鈦鋼 CF8M不銹鋼 碳鋼 |
B1 B2 B3 B4 B5 B6 |
不銹鋼 碳鋼 |
潤滑青銅 聚四氟乙烯 |
天然橡膠 海帕倫 乙丙橡膠 氯丁橡膠 丁晴橡膠 耐磨橡膠 氟橡膠 耐熱乙丙橡膠 聚四氟乙烯 |
X1 X2 X3 X4 X5 X6 X7 X9 F |
-20~85度 -20~120度 -20~120度 -7~93度 -20~100度 -10~100度 -20~200度 -20~135度 -20~150度 |
五、三偏心電動蝶閥 多回轉電動執行器參數
| 型號 | 公稱 轉矩 (N.m) | 大控 制轉矩 (N.m) | 小控 制轉矩 (N.m) | 輸出軸 轉圈數 (圈) | 允許通過閥桿直徑 (mm) | 手動 速比 | 輸出轉速 (r/min) | 電機功率 (kw) | 重量 (kg) |
|---|---|---|---|---|---|---|---|---|---|
| Z5 | 50 | 75 | ≤25 | 150 | 28 | 1∶1 | 18 | 0.12 | 28 |
| Z10 | 100 | 150 | ≤50 | 160 | 24、36 | 0.25 0.37 | 61 | ||
| Z15 | 150 | 225 | ≤75 | 0.37 0.55 | 63 | ||||
| Z20 | 200 | 300 | ≤100 | 40 | 0.55 0.75 | 63 | |||
| 28 | |||||||||
| Z30 | 300 | 450 | ≤150 | 40 | 24 | 0.75 | 65 | ||
| 28 | |||||||||
| Z45 | 450 | 675 | ≤225 | 110 | 48 | 24 | 1.1 | 110 | |
| 36 | 1.5 | ||||||||
| Z60 | 600 | 900 | ≤300 | 24 | 1.5 | 112 | |||
| 36 | 2.2 | ||||||||
| Z90 | 900 | 1350 | ≤450 | 60 | 24 | 2.2 | 139 | ||
| 48 | 36 | 3.0 | |||||||
| Z120 | 1200 | 1800 | ≤600 | 60 | 24 | 3.0 | 142 | ||
| 48 | |||||||||
| Z180 | 1800 | 2160 | ≤900 | 140 | 70 | 25∶1 | 24 | 4.0 | 261 |
| 36 | 5.5 | ||||||||
| Z250 | 2500 | 3000 | ≤1250 | 24 | 5.5 | 264 | |||
| Z350 | 3500 | 4200 | ≤1750 | 75 | 13∶1 | 18 | 7.5 | 430 | |
| Z500 | 5000 | 6000 | ≤2500 | 10 | 440 | ||||
| Z800 | 8000 | 9600 | ≤4000 | 120 | 80 | 90∶1 | 12 | 13 | 800 |
| Z1000 | 10000 | 12000 | ≤5000 | 100 | 15 | 820 |
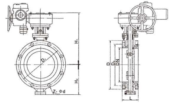
六、三偏心電動蝶閥 結構圖
![]() |
七、三偏心電動蝶閥 連接尺寸
| 公稱通徑 | 外型尺寸 | 連接尺寸 | |||||||||||||
|---|---|---|---|---|---|---|---|---|---|---|---|---|---|---|---|
| 0.6MPa | 1.0MPa | 1.6MPa | |||||||||||||
| DN | L | H1 | H2 | D | D1 | D2 | Z-Фd | D | D1 | D2 | Z-Фd | D | D1 | D2 | Z-Фd |
| 100 | 127 | 285 | 105 | 210 | 170 | 144 | 4-18 | 220 | 180 | 156 | 8-18 | 220 | 180 | 156 | 8-18 |
| 125 | 140 | 300 | 125 | 240 | 200 | 174 | 8-18 | 250 | 210 | 164 | 8-18 | 2S0 | 210 | 184 | 8-18 |
| 150 | 140 | 320 | 140 | 265 | 22S | 199 | 8-18 | 285 | 240 | 211 | 8-22 | 285 | 240 | 211 | 8-22 |
| 200 | 152 | 370 | 180 | 320 | 280 | 254 | 8-18 | 340 | 295 | 266 | 8-22 | 340 | 295 | 266 | 12-22 |
| 250 | 165 | 420 | 200 | 375 | 335 | 309 | 12-18 | 395 | 350 | 319 | 12-22 | 405 | 355 | 319 | 12-26 |
| 300 | 178 | 500 | 250 | 440 | 395 | 363 | 12-22 | 445 | 400 | 370 | 12-22 | 460 | 410 | 370 | 12-26 |
| 350 | 190 | 530 | 270 | 490 | 445 | 413 | 12-22 | SOS | 460 | 429 | 16-22 | 520 | 470 | 429 | 16-26 |
| 400 | 216 | 570 | 300 | 540 | 495 | 463 | 16-22 | 565 | 515 | 480 | 16-26 | 580 | 525 | 480 | 16-22 |
| 450 | 222 | 600 | 320 | 595 | 550 | 518 | 16-22 | 615 | 565 | 530 | 20-26 | 640 | 585 | &48 | 16-30 |
| 500 | 229 | 680 | 360 | 645 | 600 | 566 | 20-22 | 670 | 620 | 562 | 20-26 | 715 | 650 | 609 | 20-33 |
| 600 | 267 | 750 | 420 | 755 | 705 | 667 | 20-26 | 780 | 725 | 682 | 20-30 | 840 | 770 | 720 | 20-36 |
| 700 | 292 | 610 | 460 | 860 | 810 | 772 | 24-26 | 895 | 840 | 794 | 24-30 | 910 | 640 | 794 | 24-36 |
| 800 | 318 | 905 | 540 | 975 | 920 | 878 | 24-30 | 1015 | 950 | 901 | 24-33 | 1025 | 950 | 901 | 24-39 |
| 900 | 330 | 960 | 590 | 1075 | 1020 | 978 | 24-30 | 1115 | 1050 | 1001 | 28-33 | 1125 | 1050 | 1001 | 28-39 |
| 1000 | 410 | 1010 | 640 | 1175 | 1120 | 1078 | 28-30 | 1230 | 1160 | 1112 | 28-36 | 1255 | 1170 | 1112 | 28-42 |
| 1200 | 470 | 1175 | 750 | 1405 | 1340 | 1295 | 32-33 | 1455 | 1380 | 1328 | 32-39 | 146S | 1390 | 1328 | 32-48 |
| 1400 | 530 | 1310 | 860 | 1630 | 1560 | 1510 | 36-36 | 1675 | 1590 | 1530 | 36-42 | 1685 | 1590 | 1530 | 36-48 |
| 1600 | 600 | 1460 | 980 | 1830 | 1760 | 1710 | 40-36 | 1915 | 1820 | 1750 | 40-68 | 1930 | 1820 | 1750 | 40-55 |
| 1800 | 670 | 1560 | 1090 | 2045 | 1970 | 1918 | 44-39 | 2115 | 2020 | 1950 | 44-48 | 2130 | 2020 | 1950 | 44-55 |
| 2000 | 760 | 1670 | 1190 | 2265 | 2180 | 2125 | 48-32 | 2325 | 2230 | 2150 | 48-48 | 2345 | 2230 | 2150 | 48-60 |
注:由于產品改進技術創新參數可能有一定變化,公司不另行通知,請咨詢公司技術部門索取新數據。
下載:上海川滬閥門有限公司-產品樣本-三偏心電動蝶閥.PDF
三偏心電動蝶閥鏈接:http://www.ansite.net.cn/products/diandongdiefa/d943h.html



























