提供專業控制閥解決方案! 銷售熱線:021-51863046
上海川滬閥門有限公司
ShangHai Chuanhu Valve CO.,LTD
我們做的不僅是產品還是解決方案
川滬閥門品牌:電動球閥、電動蝶閥、氣動球閥、氣動蝶閥、電動調節閥、氣動調節閥
自力式調節閥、快速切斷閥、低溫閥門、耐腐蝕閥門、衛生級閥門、截止閥、閘閥
電動執行器、氣動執行器
矩形電動百葉蝶閥
一、矩形電動百葉蝶閥 產品概述
上海川滬閥門有限公司生產的矩形電動百葉蝶閥蝶閥蝶板采用百葉式多軸結構,流體均勻,電傳動,啟閉力矩省力均勻,動作靈敏,性能可靠,適合低壓、大口徑、通風或尾氣處理場合使用,與多回傳型電動執行器相連接后,可以控制閥門的開關或者調節(輸入輸出信號4-20mA)管道介質流量大小。
特點:
1、對含塵氣體、煤氣管道、通風凈化裝置、煙氣管道等作為流量調節和截流用;
2、具有耐磨性好、工作穩定可靠、操作方便;
3、泄漏率小、使用壽命長、安裝維修方便;
4、適用于低壓差、大口徑、大流量場合,
適用場景:
矩形電動百葉蝶閥適合在煙氣、粉塵、空氣或含有懸浮顆粒的流體及濃濁、漿狀流體的調節與控制。
二、矩形電動百葉蝶閥 產品圖片
![]() |
| 矩形電動百葉蝶閥 |
三、矩形電動百葉蝶閥 性能規范
| 公稱壓力(MPa) | 0.1MPa | 介質溫度 | -30℃~-1000℃ |
|---|---|---|---|
| 控制方式 | ON-OFF/4-20mA | 適用介質 | 冷熱風、煙氣 |
| 介質流速 | 25m/s | 泄漏率 | 1~5% |
四、矩形電動百葉蝶閥 主要零部件材料
| 零件名稱 | 閥體 | 閥板 | 閥軸 |
|---|---|---|---|
| 材料 | Q235、304不銹鋼、316不銹鋼、310S雙相不銹鋼 | Q235、304不銹鋼、316不銹鋼、310S雙相不銹鋼 | 碳鋼、不銹鋼 |
五、矩形電動百葉蝶閥 多回轉電動執行器參數
| 型號 | 公稱 轉矩 (N.m) | 大控 制轉矩 (N.m) | 小控 制轉矩 (N.m) | 輸出軸 轉圈數 (圈) | 允許通過閥桿直徑 (mm) | 手動 速比 | 輸出轉速 (r/min) | 電機功率 (kw) | 重量 (kg) |
|---|---|---|---|---|---|---|---|---|---|
| Z5 | 50 | 75 | ≤25 | 150 | 28 | 1∶1 | 18 | 0.12 | 28 |
| Z10 | 100 | 150 | ≤50 | 160 | 24、36 | 0.25 0.37 | 61 | ||
| Z15 | 150 | 225 | ≤75 | 0.37 0.55 | 63 | ||||
| Z20 | 200 | 300 | ≤100 | 40 | 0.55 0.75 | 63 | |||
| 28 | |||||||||
| Z30 | 300 | 450 | ≤150 | 40 | 24 | 0.75 | 65 | ||
| 28 | |||||||||
| Z45 | 450 | 675 | ≤225 | 110 | 48 | 24 | 1.1 | 110 | |
| 36 | 1.5 | ||||||||
| Z60 | 600 | 900 | ≤300 | 24 | 1.5 | 112 | |||
| 36 | 2.2 | ||||||||
| Z90 | 900 | 1350 | ≤450 | 60 | 24 | 2.2 | 139 | ||
| 48 | 36 | 3.0 | |||||||
| Z120 | 1200 | 1800 | ≤600 | 60 | 24 | 3.0 | 142 | ||
| 48 | |||||||||
| Z180 | 1800 | 2160 | ≤900 | 140 | 70 | 25∶1 | 24 | 4.0 | 261 |
| 36 | 5.5 | ||||||||
| Z250 | 2500 | 3000 | ≤1250 | 24 | 5.5 | 264 | |||
| Z350 | 3500 | 4200 | ≤1750 | 75 | 13∶1 | 18 | 7.5 | 430 | |
| Z500 | 5000 | 6000 | ≤2500 | 10 | 440 | ||||
| Z800 | 8000 | 9600 | ≤4000 | 120 | 80 | 90∶1 | 12 | 13 | 800 |
| Z1000 | 10000 | 12000 | ≤5000 | 100 | 15 | 820 |
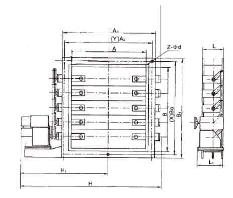
六、矩形電動百葉蝶閥 結構圖
![]() |
七、矩形電動百葉蝶閥 連接尺寸
| AxB | A1 x B1 | A2 x B2 | L | L1 | H1 | H | b | Z-d | X | Y | 軸線 | Wt/Kgs |
|---|---|---|---|---|---|---|---|---|---|---|---|---|
| 320x180 | 375x105 | 400x240 | 180 | 245 | 580 | 735 | 8 | 16-14 | 5 | 3 | 2 | 184 |
| 320x250 | 375x295 | 400x330 | 180 | 245 | 625 | 825 | 8 | 16-14 | 5 | 3 | 2 | 194 |
| 400x200 | 455x255 | 500x330 | 200 | 245 | 610 | 805 | 8 | 16-18 | 5 | 3 | 2 | 215 |
| 400x320 | 455x375 | 500x420 | 200 | 245 | 870 | 915 | 8 | 16-18 | 5 | 3 | 2 | 263 |
| 500x200 | 555x255 | 600x300 | 220 | 245 | 610 | 805 | 8 | 16-18 | 5 | 3 | 3 | 272 |
| 500x400 | 555x455 | 600x500 | 220 | 245 | 670 | 915 | 8 | 20-18 | 5 | 5 | 3 | 292 |
| 630x320 | 685x375 | 730x420 | 220 | 245 | 610 | 805 | 10 | 20-18 | 7 | 3 | 3 | 322 |
| 630x400 | 685x455 | 730x500 | 220 | 245 | 710 | 995 | 10 | 24-18 | 7 | 5 | 3 | 354 |
| 800x400 | 855x455 | 900x500 | 240 | 300 | 670 | 945 | 10 | 24-18 | 7 | 5 | 4 | 443 |
| 800x630 | 855x685 | 900x730 | 240 | 300 | 710 | 995 | 10 | 28-18 | 7 | 7 | 4 | 590 |
| 1000x500 | 1070x570 | 1130x830 | 260 | 300 | 790 | 1075 | 10 | 24-23 | 7 | 5 | 4 | 640 |
| 1000x800 | 1070x870 | 1130x930 | 260 | 300 | 905 | 1270 | 10 | 28-23 | 7 | 7 | 4 | 770 |
| 1250x630 | 1320x700 | 1380x760 | 280 | 300 | 1005 | 1505 | 10 | 32-23 | 9 | 7 | 5 | 790 |
| 1250x1000 | 1320x1070 | 1380x1130 | 280 | 300 | 1105 | 1705 | 10 | 32-23 | 9 | 7 | 5 | 920 |
| 1400x800 | 1470x870 | 1530x930 | 300 | 385 | 1075 | 1575 | 10 | 36-23 | 11 | 7 | 5 | 940 |
| 1400x1250 | 1470x1320 | 1530x1380 | 300 | 385 | 1300 | 2025 | 10 | 40-23 | 11 | 9 | 5 | 1240 |
| 1600x1000 | 1670x1070 | 1730x1130 | 320 | 385 | 1175 | 1775 | 10 | 36-23 | 11 | 7 | 5 | 1540 |
| 1600x1250 | 1670x1320 | 1730x1380 | 320 | 385 | 1300 | 2025 | 10 | 40-23 | 11 | 9 | 5 | 1680 |
| 1800x1250 | 1870x1320 | 1930x1380 | 340 | 420 | 1450 | 2175 | 10 | 44-23 | 13 | 9 | 6 | 1846 |
| 1800x1400 | 1870x1470 | 1930x1530 | 340 | 420 | 1525 | 2325 | 10 | 48-23 | 13 | 11 | 6 | 1953 |
| 2000x1250 | 2070x1320 | 2130x1380 | 360 | 420 | 1450 | 2175 | 10 | 48-23 | 15 | 9 | 6 | 2170 |
| 2000x1800 | 2070x1670 | 2130x1730 | 360 | 420 | 1620 | 2520 | 12 | 52-23 | 15 | 11 | 6 | 2392 |
| 2500x1800 | 2570x1870 | 2630x1730 | 420 | 450 | 1695 | 2595 | 12 | 56-23 | 17 | 11 | 8 | 2740 |
| 2500x2000 | 2570x2070 | 2630x2130 | 420 | 450 | 1895 | 2995 | 12 | 64-23 | 17 | 15 | 8 | 2801 |
| 2800x2500 | 2870x2570 | 2930x2630 | 440 | 450 | 2145 | 3195 | 12 | 72-23 | 19 | 17 | 8 | 3118 |
| 3200x2800 | 3270x2870 | 3330x2930 | 480 | 480 | 2325 | 3825 | 12 | 80-23 | 21 | 19 | 10 | 3535 |
| 3600x3200 | 3670x3270 | 3730x3330 | 520 | 480 | 2525 | 4225 | 12 | 88-23 | 23 | 21 | 10 | 4018 |
| 4000x3600 | 4070x4670 | 4130x4730 | 560 | 480 | 2725 | 4825 | 12 | 100-23 | 27 | 23 | 10 | 4532 |
注:由于產品改進技術創新參數可能有一定變化,公司不另行通知,請咨詢公司技術部門索取新數據。
下載:上海川滬閥門有限公司-產品樣本-矩形電動百葉蝶閥.PDF
矩形電動百葉蝶閥鏈接:http://www.ansite.net.cn/products/diandongdiefa/dj941bw.html



























