提供專業控制閥解決方案! 銷售熱線:021-5186 3046
上海川滬閥門有限公司
ShangHai Chuanhu Valve CO.,LTD
我們做的不僅是產品還是解決方案
川滬閥門品牌:電動球閥、電動蝶閥、氣動球閥、氣動蝶閥、電動調節閥、氣動調節閥
自力式調節閥、快速切斷閥、低溫閥門、耐腐蝕閥門、衛生級閥門、截止閥、閘閥
電動執行器、氣動執行器
三片式電動法蘭球閥
一、三片式電動法蘭球閥 產品概述
上海川滬閥門有限公司生產的三片式電動法蘭球閥是三片式球閥設計,可以在管道上拆解維修更換部分閥體。適合在中低壓管道中使用??梢造`活的控制閥門開關(配開關型電動執行機構)和調節流量大?。ㄅ湔{節型電動執行機構)。
型號:
CHQ941F、CHQ941PPL、CHQ941N
特點:
1.三片式電動法蘭球閥由三部分組成,便于后期維護與更換。
2.先進的硅溶膠工藝,結構合理、造型美觀。
3.閥座采用彈性密封結構,開關省力,輕巧,密封性能良好。
4.閥桿采用有倒密封下裝式結構,閥桿不會因為內部受壓飛出,確保安全性。
適用場景:
三片式電動法蘭球閥廣泛適用于PN1.0~4.0MPa,工作溫度-29~180℃(密封圈為增強聚四氟乙烯)或-29~300℃(密封圈為對位聚苯)的各種管路上,用于截斷或接通管路中的介質。選用不同的材質,可分別適用于水、蒸汽、油品、硝酸、醋酸等多種介質。
二、三片式電動法蘭球閥 產品圖片
![]() |
![]() |
| 三片式電動法蘭球閥 | 三片式高平臺法蘭球閥 |
三、三片式電動法蘭球閥 主要零部件材料
| 零件名稱 | 材料名稱 | |||
|---|---|---|---|---|
| 閥體 | WCB | 304(CF8) | 316(CF8M) | 316L(CF3M) |
| 球體 | 2Cr13+氮化處理 | 304 | 316 | 316L |
| 閥桿 | 2Cr13 | 304 | 316 | 316L |
| 密封圈 | 聚四氟乙烯(PTFE)、增強聚四氟乙烯(PPL)、對位聚苯、柔性石墨 | |||
四、三片式電動法蘭球閥 技術參數
| 公稱通徑 | 15~100mm |
|---|---|
| 公稱壓力 | PN1.6、2.5、4.0MPa |
| 閥體材質 | 碳鋼、304、316、316L |
| 球體材質 | 304/316/316L不銹鋼 |
| 閥桿材質 | 304/316/316L不銹鋼 |
| 閥座密封 | PTFE |
| 溫 度 | PTFE≤150℃ |
| 連接型式 | 法蘭式 |
| 適用介質 | 水、氣體、油品等 |
| 特 點 | 密封好、使用壽命長 |
五、三片式電動法蘭球閥 執行器參數
| 執行器類別 | CHV系列執行器參數 | CHQ系列執行器參數 |
|---|---|---|
| 電源電壓 | 標準:220V AC單相 可選:110V AC 單相、380/440V AC 三相、24V/110V/220V AC | |
| 輸出力矩 | 50N·M~2000N·M | 50N·M~3000N·M |
| 動作范圍 | 0~90° 0~360° | 0~90°、0°~270°可選 |
| 控制方式 | 開關到位燈(開關兩位控制)、無源觸點信號、1/5K電位計、智能調節(4~20mA模擬量信號控制) | |
| 動作時間 | 15秒/30秒/60秒 | 18S~112S |
| 保護裝置 | 過熱保護 | 內置過熱保護、過載保護 |
| 環境溫度 | -30°~60° | -20℃~+70℃ |
| 手動操作 | 同附帶手柄操作 | 機械離合機構,配手輪操作 |
| 機械限位 | 電氣、機械二重限位 | 2個外部調整螺栓 |
| 防護等級 | IP65 | IP65、IP67、可定制IP68 |
| 防爆等級 | 無防爆 | ExdⅡ BT4,ExdⅡ CT6 |
| 位置測量 | 可選裝開關或電位計 | 電位計、比例控制單元 |
| 驅動電機 | 8W/E | 鼠籠式異步電機 |
| 進線接口 | PE1/2〞進線線鎖 | 2個 PF 3/4" |
| 殼體材料 | 鋁合金 | 鋼,鋁合金,鋁青銅,聚碳酸脂 |
| 外涂層 | 干粉,環氧聚酯,具有超強防腐功能 | |
| 采用獨特的電制動線路,因而定位精度高,執行機構靈敏,啟動停止迅速,運行平穩。同時具有抗干擾、抗浪涌電壓、防擊穿能力強的特點 | ||
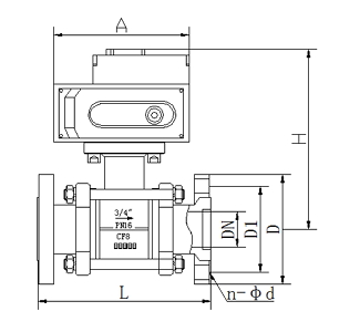
六、三片式電動法蘭球閥 結構圖
![]() |
七、三片式電動法蘭球閥 連接尺寸
| SIZE | 1/2" | 3/4" | 1" | 11/4" | 11/2" | 2" | 2-1/2" | 3" | 4" |
|---|---|---|---|---|---|---|---|---|---|
| 通徑 | 15 | 20 | 25 | 32 | 38 | 50 | 65 | 76 | 100 |
| L | 130 | 150 | 160 | 180 | 200 | 230 | 290 | 310 | 350 |
| D | 95 | 105 | 115 | 135 | 145 | 160 | 180 | 195 | 230 |
| D1 | 65 | 75 | 85 | 100 | 110 | 125 | 145 | 160 | 190 |
| D2 | 45 | 55 | 65 | 78 | 85 | 100 | 120 | 135 | 160 |
| H | 250 | 250 | 255 | 260 | 280 | 300 | 340 | 350 | 370 |
| A | 161 | 161 | 161 | 161 | 188 | 188 | 268 | 268 | 268 |
| n-d | 4-14 | 4-14 | 4-14 | 4-18 | 4-18 | 8-18 | 8-18 | 8-18 | 8-22 |
注:由于產品改進技術創新參數可能有一定變化,公司不另行通知,請咨詢公司技術部門索取新數據。
下載:上海川滬閥門有限公司-產品樣本-三片式電動法蘭球閥.PDF
三片式電動法蘭球閥鏈接:http://www.ansite.net.cn/products/diandongqiufa/sq941f.html



































