提供專業控制閥解決方案! 銷售熱線:021-5186 3046
上海川滬閥門有限公司
ShangHai Chuanhu Valve CO.,LTD
我們做的不僅是產品還是解決方案
川滬閥門品牌:電動球閥、電動蝶閥、氣動球閥、氣動蝶閥、電動調節閥、氣動調節閥
自力式調節閥、快速切斷閥、低溫閥門、耐腐蝕閥門、衛生級閥門、截止閥、閘閥
電動執行器、氣動執行器
LT型對夾式蝶閥
一、LT型對夾式蝶閥 產品概述
LT型對夾式蝶閥也稱為支耳式對夾蝶閥,是中心密封形式,具有防噴桿、低摩擦設計,在使用過程中,可以實現零泄漏,。驅動形式有手柄式、氣動式、電動式等,手動LT型對夾式蝶閥常用于不經常開閉場合,氣動LT型對夾式蝶閥和電動LT型對夾式蝶閥可以和自動化系統集成,通過開關量信號來控制開關或者模擬量信號來控制閥門開度大小,從而實現系統自動化控制,LT型對夾式蝶閥具有結構緊湊、密閉性能好、安裝方便等特點
二、LT型對夾式蝶閥 產品圖片
![]() |
![]() |
| LT型對夾式蝶閥(手柄驅動) | LT型對夾式蝶閥(蝸輪驅動) |
三、LT型對夾式蝶閥 技術參數
| 公稱通徑 | 2"~8"(DN50~DN200) |
|---|---|
| 連接形式 | 對夾式 |
| 公稱壓力 | PN10、PN16/ANSI150/JIS10K |
| 閥體材質 | CI(鑄鐵)/DI(球墨鑄鐵) |
| 閥板材質 | CI/DI |
| 閥座材質 | EPDM、PTFE |
四、LT型對夾式蝶閥 零部件參數
| 公稱通徑 | DN(mm) | 50~200 | ||
|---|---|---|---|---|
| 公稱壓力 | PN(MPa) | 0.6 | 1.0 | 1.6 |
| 試驗壓力 | 強度試驗 | 0.9 | 1.5 | 2.4 |
| 密封試驗 | 0.66 | 1.1 | 1.76 | |
| 氣密封試驗 | 0.6 | 0.6 | 0.6 | |
| 適用介質 | 空氣、水、污水、蒸氣、煤氣、油品等。 | |||
| 驅動形式 | 手動、蝸桿蝸輪傳動、氣傳動、電傳動。 | |||
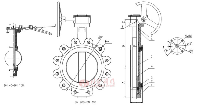
五、LT型對夾式蝶閥 結構圖
![]() |
六、LT型對夾式蝶閥 連接尺寸
| SIZE | A | B | C | L | ANSI 150B | DIN PN 10 | DIN PN 16 | JIS 10K | ISO 5211 |
Top Flange |
|||||||
|---|---|---|---|---|---|---|---|---|---|---|---|---|---|---|---|---|---|
| mm | in | ?K | N-M | ?K | N-M | ?K | N-M | ?K | N-M | ?D | ?D1 | N-?d | |||||
| 40 | 1.5" | 70 | 164 | 32 | 33 | 98.5 | 4-1/2"-13UNC-2B | 110 | 4-M16 | 110 | 4-M16 | 105 | 4-M16 | 65 | 50 | 4-?8 | F05 |
| 50 | 2" | 80 | 169 | 32 | 43 | 120.6 | 4-5/8"-11UNC-2B | 125 | 4-M16 | 125 | 4-M16 | 120 | 4-M16 | 65 | 50 | 4-?8 | F05 |
| 65 | 2 1/2" | 89 | 176 | 32 | 46 | 139.7 | 4-5/8"-11UNC-2B | 145 | 4-M16 | 145 | 4-M16 | 140 | 4-M16 | 65 | 50 | 4-?8 | F05 |
| 80 | 3" | 95 | 183 | 32 | 46 | 152.4 | 4-5/8"-11UNC-2B | 160 | 8-M16 | 160 | 8-M16 | 150 | 8-M16 | 65 | 50 | 4-?8 | F05 |
| 100 | 4" | 114 | 201 | 32 | 52 | 190.5 | 8-5/8"-11UNC-2B | 180 | 8-M16 | 180 | 8-M16 | 175 | 8-M16 | 90 | 70 | 4-?10 | F07 |
| 125 | 5" | 127 | 214 | 32 | 56 | 215.9 | 8-3/4"-10UNC-2B | 210 | 8-M16 | 210 | 8-M16 | 210 | 8-M20 | 90 | 70 | 4-?10 | F07 |
| 150 | 6" | 139 | 229 | 32 | 56 | 241.3 | 8-3/4"-10UNC-2B | 240 | 8-M20 | 240 | 8-M20 | 240 | 8-M20 | 90 | 70 | 4-?10 | F07 |
| 200 | 8" | 175 | 257 | 45 | 60 | 298.4 | 8-3/4"-10UNC-2B | 295 | 8-M20 | 295 | 12-M20 | 290 | 12-M20 | 125 | 102 | 4-?12 | F10 |
| 250 | 10" | 203 | 280 | 45 | 68 | 361.9 | 12-7/8"-9UNC-2B | 350 | 12-M20 | 355 | 12-M24 | 355 | 12-M22 | 125 | 102 | 4-?12 | F10 |
| 300 | 12" | 242 | 327 | 45 | 78 | 431.8 | 12-7/8"-9UNC-2B | 400 | 12-M20 | 410 | 12-M24 | 400 | 16-M22 | 125 | 102 | 4-?12 | F10 |
下載:上海川滬閥門有限公司-產品樣本-LT型對夾式蝶閥.PDF
LT型對夾式蝶閥鏈接:http://www.ansite.net.cn/products/diefa/ltdf.html

















