一、襯氟止回閥 產品概述
襯氟止回閥(又稱逆止閥)這種類型的閥門的作用是只允許介質向一個方向流動,而且阻止方向流動。通常這種閥門是自動工作的,在一個方向流動的流體壓力作用下,閥瓣打開;流體反方向流動時,由流體壓力和閥瓣的自重合閥瓣作用于閥座,從而切斷流動。
H40F46立式襯氟止回閥是升降式立式止回閥,適應于立式管道的安裝,適用在-50℃~150℃的各種濃度的王水、硫酸、鹽酸、氫氟酸和各種有機酸、強酸、強氧化劑,FEP立式襯氟止回閥還適用于各種濃度的強堿有機溶劑以及其它腐蝕性氣體、液體介質的管路上使用。
二、襯氟止回閥 產品圖片
 |
| 襯氟止回閥 |
三、襯氟止回閥 零部件材料
| 零件名稱 |
灰鑄鐵 |
鑄鋼 |
不銹鋼 |
超低碳不銹鋼 |
| Z |
C |
P |
R |
PL |
RL |
| 閥體、閥蓋 |
HT250 |
WCB |
CF8 |
CF8M |
CF3 |
CF3M |
| 球體 |
WCB |
WCB |
CF8 |
CF8M |
CF3 |
CF3M |
| 襯里層/閥座 |
FEP(F46) PCTFE(F3)PFA(可洛性聚四氟乙烯) |
| 填料壓蓋 |
HT250 |
WCB |
CF8 |
CF8M |
CF3 |
CF3M |
| 填料 |
PTFE(F4) 聚四氟乙烯 PTFE(F4)聚四氟乙烯 |
| 螺栓 |
35 |
35 |
1Cr17Ni2 |
1Cr17Ni2 |
1Cr18Ni9 |
1Cr18Ni9 |
| 螺母 |
45 |
45 |
0Cr18Ni9 |
0Cr18Ni9 |
0Cr18Ni9 |
0Cr18Ni9 |
| 手柄 |
WCC |
WCC |
WCC |
WCC |
WCC |
WCC |
四、襯氟止回閥 執行標準
| 設計標準 |
GB12233/GB12233 |
| 結構長度 |
GB12221 |
| 法蘭標準 |
JB/T79-94 |
| GB9113.1-26 |
| 檢驗試驗 |
GB/T13927 |
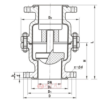
五、襯氟止回閥 結構圖
六、襯氟止回閥 連接尺寸
| 公稱通徑 |
PN0.6(MPa)主要外形尺寸和連接尺寸(mm) |
參考值 |
重量 |
| DN |
L |
D |
D1 |
D2 |
f |
b |
Z-Φd |
Do |
H |
㎏ |
| 25 |
152 |
100 |
75 |
60 |
3 |
14 |
4-Φ12 |
130 |
76 |
6 |
| 32 |
152 |
120 |
90 |
70 |
3 |
16 |
4-Φ14 |
140 |
76 |
8 |
| 40 |
178 |
130 |
100 |
80 |
3 |
16 |
4-Φ14 |
160 |
89 |
10 |
| 50 |
178 |
140 |
110 |
90 |
3 |
16 |
4-Φ14 |
170 |
89 |
14 |
| 65 |
190 |
160 |
130 |
110 |
3.5 |
18 |
4-Φ14 |
200 |
95 |
18 |
| 80 |
203 |
185 |
150 |
125 |
3.5 |
18 |
4-Φ18 |
220 |
101 |
21 |
| 100 |
267 |
205 |
170 |
145 |
4 |
20 |
4-Φ18 |
240 |
133 |
40 |
| 125 |
305 |
235 |
200 |
175 |
4 |
20 |
8-Φ18 |
280 |
152 |
70 |
| 150 |
394 |
260 |
225 |
200 |
4 |
20 |
8-Φ18 |
315 |
197 |
90 |
| 公稱通徑 |
PN1.0(MPa)主要外形尺寸和連接尺寸(mm) |
參考值 |
重量 |
| DN |
L |
D |
D1 |
D2 |
f |
b |
Z-Φd |
Do |
H |
㎏ |
| 25 |
152 |
115 |
85 |
65 |
3 |
16 |
4-Φ14 |
130 |
76 |
7 |
| 32 |
152 |
135 |
100 |
70 |
3 |
18 |
4-Φ18 |
140 |
76 |
9 |
| 40 |
178 |
145 |
110 |
85 |
3 |
18 |
4-Φ18 |
160 |
89 |
12 |
| 50 |
178 |
160 |
125 |
100 |
3 |
18 |
4-Φ18 |
170 |
89 |
15 |
| 65 |
190 |
180 |
145 |
120 |
3.5 |
20 |
4-Φ18 |
200 |
95 |
20 |
| 80 |
203 |
195 |
160 |
135 |
3.5 |
20 |
4-Φ18 |
220 |
101 |
24 |
| 100 |
267 |
215 |
180 |
155 |
4 |
22 |
8-Φ18 |
240 |
133 |
44 |
| 125 |
305 |
245 |
210 |
185 |
4 |
24 |
8-Φ18 |
280 |
152 |
75 |
| 150 |
394 |
280 |
240 |
210 |
4 |
24 |
8-Φ23 |
315 |
197 |
95 |
注:由于產品改進技術創新參數可能有一定變化,公司不另行通知,請咨詢公司技術部門索取新數據。